The energy intensive cement industry faces high and rising energy costs and must meet requirements for reducing CO2 emissions. One remedy for these challenges is to increase energy efficiency by recovering waste heat and converting it to electricity.
Modern cement plants can be thought of as huge heat exchangers. After firing the kiln (and eventually the precalciner), the heat in the stack gas and from the hot clinker can be used to a large extent in the plant for:
- Secondary air preheating,
- Tertiary air preheating,
- Preheater tower with 3–6 stages to preheat raw meal,
- Preheater waste gas to dry raw meal in the raw mill,
- Waste heat recovery to dry and preheat conventional or alternative fuels,
- Use of clinker cooler waste heat to feed districtheating systems.
Waste heat recovery is the most important measure towards decreasing heat losses and therefore has the highest priority. It is the most efficient way to increase energy efficiency because the efficiency of heat recovery is high, 1kWh of waste heat reused in the plant ends in 1kWh of useful heat (See Figure 1).
Waste heat recovery
After the efficiency of a cement plant has been driven to the economic optimum, the remaining waste heat can be converted into electricity. It must be kept in mind that with any conversion technology the thermal efficiency of the conversion (ηth) comes into the game. Therefore one kWh of used waste heat only produces ηkWh of useful energy - but now it is electrical energy (See Figure 1).
The more efficient the cement plant, the lower temperature of its waste heat, specifically the temperature of the waste gas after the preheater tower. Temperatures after the preheater tower in efficient cement plants can be considerably below 300°C. Therefore, waste heat conversion technology has to be configured to match this situation.
The ABB Power Plant based on Organic Rankine Cycle (ORC) technology (ABB ORC power plant) is designed to make use of exactly this low and medium temperature waste heat. It excellently converts low temperature waste heat from cement plants into electricity.
Case study - Holcim Untervaz cement plant
The Holcim cement plant in Untervaz, Switzerland is known for its pioneering role in reducing CO2 emissions and optimising its operations to improve energy efficiency (See Figure 2). Founded in 1957, the plant is one of the biggest cement plants in Switzerland and began using alternative fuels as early as 1970.
To further improve the energy efficiency of the plant, Holcim decided to install a power plant based on ORC technology, which is powered by waste heat. Currently under construction, the ORC power plant will convert unused low-grade waste heat into clean electrical energy. The waste heat sources are the waste gas after the suspension preheater tower and the exhaust air from the clinker cooler prior to the dust filter.
The project will be executed in two phases. In phase 1, the waste heat from the preheater will be converted into approximately 1.9MW of electric power. When completed at the end of 2011, phase 1 will generate some 10.5GWh of net electrical energy per year, equivalent to the annual needs of about 2000 Swiss homes.
At the beginning of 2012 the current planetary clinker cooler will be replaced by a grate cooler. In phase 2 of the project, the waste heat from the clinker cooler will be recovered as well. This will bring the ORC power plant to its full production capacity of 2.6MW of clean electric power by the end of 2012.
The ability to generate CO2-free electricity from waste heat will reduce the need to buy power from external sources. It will cover about 20% of the cement plant's entire power consumption.
ABB ORC Power Plant installation
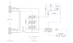
When fully operational, the ABB ORC power plant will convert currently unused low-grade waste heat into clean electrical energy. In order to use waste heat at medium and low temperatures (180-350°C), the ABB ORC Power Plant uses the Organic Rankine Cycle (ORC) principle. In an ORC-based power plant, an organic medium is heated, evaporated and expanded instead of water, which is used in conventional thermal power plants. The ABB ORC power plant at Untervaz is an outdoor installation. The plant system is divided into the following units:
- Heat extraction from the waste heat sources via heat exchangers,
- Transfer of the heat to the power plant, with an intermediate cycle operating with pressurised water,
- Heat conversion into electric power in the power plant. The main components of the power plant are the pump, process heat exchangers, turbine/generator and condenser,
- The electrical equipment and plant controls are accommodated in a separate container.
Heat extraction
Heat is extracted by a heat exchanger in the waste gas flow after the preheater and by a second heat exchanger in the waste air flow after the clinker cooler (See Figure 4). In order not to influence or jeopardise the primary process of the cement plant should a failure of the turbine/generator unit occur, a bypass solution is included. The heat exchanger is connected to the evaporator of the ORC power plant via a pressurised hot water circuit.
In phase 1 of the project the waste heat from the preheater is extracted, the dust load of the preheater gas lies in the order of 50–100g/Nm3. Humidity and sulphur content is also taken into consideration. As the temperature of the waste gas cannot be reduced to a very low level due to the temperature requirements of the raw mill, the danger of condensation is in most cases negligible. The dust issue is taken into
consideration by the heat exchanger design, which is a bare tube type with the geometry designed accordingly. The heat exchanger has an integrated cleaning system based on knocking technology, which makes continuous dust cleaning possible during operation of the plant.
In phase 2 of the project, the heat exchanger will be installed in the clinker cooler excess air stream. Unlike the preheater waste gas stream, the air after the clinker cooler is totally dry, but the dust is hard and abrasive. Therefore, a dust settling chamber will be installed at the entry of the heat exchanger.
Conversion of heat energy
In the evaporator unit the heat is transferred from the water to the organic fluid. The evaporated fluid is expanded in the turbine and the extracted energy is converted into electricity in the generator. After leaving the turbine, the vaporous fluid is liquefied in the air-cooled condensers and fed into the evaporator unit via a pump.
All the components that are necessary for the conversion of heat into electrical energy are integrated in a steel framework construction. The steel construction is built on three levels to give the power plant the smallest possible footprint. On the bottom level are the electromechanical components, on the middle level the static components and on the top level the air cooled condensers, the height of which also provides the necessary net positive suction head for the fluid pump (See Figure 5).
Thanks to the plant's expert system, detailed plant production data were available for a period of several years. The availability of this data made it possible to produce an optimal design of the ORC power plant, one that is not too big and unnecessarily expensive or too small and inadequate for the site's potential to generate electricity from waste heat.
The flexible integration into the existing plant and the small footprint were specifically important for the project. Space constraints made it necessary to install the ORC power plant on the roof of an existing building.
The intermediate cycle
The heat can be transferred between the waste heat sources and the power plant using one of two different media: thermal oil or pressurised water. Thermal oil is generally designed for running at high temperatures, typically around 300/250°C (supply/return). When the appropriate oil is chosen, the cycle can be operated at lower temperatures. Pressurised water, on the other hand, is designed to be operated at lower temperatures (< 200°C). The temperature of the waste heat determines the choice of intermediate medium. In addition to the design temperatures, the following parameters are also important:
Specific heat capacity: Specific heat capacity influences the flow rate of the medium needed to transfer a given amount of heat power at a certain temperature difference. The specific heat capacity of thermal oil is roughly half of that of water. As a result, thermal oil has to be pumped through the intermediate cycle at a higher rate than water.
Viscosity: Viscosity indicates the resistance of a fluid. The resistance of the pumped medium builds up when it is pumped through pipes. The higher the viscosity, the greater the resistance; this results in increased pressure drop of the medium in the pipes. The viscosity of thermal oil is between 15 and 20 times higher than the viscosity of water.
Pumping energy: Due to the above two factors (specific heat capacity and viscosity), the amount of electricity needed to pump thermal oil is roughly one third more than for water. Moreover, pipes with thermal oil need to be larger in diameter than water pipes due to the oil's high viscosity. Larger piping is required to produce the same pumping energy, which increases project costs.
Change of physical properties: Thermal oil is a mixture of various fractions which have varying characteristics. This means that the light-boiling components tend to evaporate over time. Moreover, if short-term high temperatures occur in the heat exchanger, a portion of thermal oil could crack. These effects result in variable physical properties and aging - and certain components of the thermal oil can change and form layers in the heat exchangers, which reduce heat transfer efficiency and cannot easily be cleaned.
Pressure: Both thermal oil and pressurised water need to operate under pressure to avoid evaporation (of at least some of the liquid) and overcome the pressure drop in the heat exchangers. With thermal oil, the overpressure required to avoid evaporation is lower than that for water.
Due to the higher resistance of the oil flowing through the heat exchanger, the drop in pressure is greater than with water. The pressure level in the water system is higher than in the thermal oil system, but the pressure difference, which the pump has to produce, is lower in the water system. Together with the lower flow rate, this leads to considerably reduced power consumption.
Inflammability: Thermal oil is inflammable and is potentially a fire hazard at the cement plant. Water is of course not a fire hazard.
Summary
Table 1 presents an overview of the two media. For the Untervaz project, hot water is used in the intermediate cycle to transfer the heat from the heat exchanger to the ORC power plant.
Advantages of ORC Technology
The technical advantages of the ABB ORC Power Plant compared to alternative technologies like steam turbine power plants are many. They include:
- Simple design of heat exchangers for heat recovery,
- Simple counter flow, air to liquid HEX,
- Automatic cleaning by, for example, knocking,
- Low temperatures in the organic cycle → small heat transfer surfaces,
- High turbine efficiency with excellent part load behaviour,
- No water cooling: air cooled condensers – no water treatment and supply system needed,
- Short startup times (also from cold water),
- Automatic operation without personnel and simple start and stop procedures,
- Low operation and maintenance costs,
- Moderate capital expenditure due to standard components and compact design,
- Fast installation through professional planning and execution.
| Parameter | Water | Thermal oil |
| Specific heat capacity in operational temperature range | Higher (approx. 4.4kJ/kg.K) | Lower (approx. 2.2kJ/kg.K) |
| Consequence | Flow rate 100% | Flow rate ~ 125% |
| Viscocity | Lower (~0.0019cm2/s) | Higher (~0.0328cm2/g) |
| Consequence | Specific pressure drop in pipes 100% | Specific pressure drop in pipes 110% |
| Consequence for pumps | Electrical power = 100% | Electrical power = 135% |
| Consequence for pipes | Diameter = normal | Diameter = one size larger |
| Aging | Water does not change its physical properties | Thermal oil changes its properties. Annual probe analysis and periodic change of thermal oil is necessary |
| Consequence | None | Maintenance and operating costs are higher (cost of thermal oils is approx. Euro1/kg) |
| Layer building, thermal cracking | None | If critical temperature is passed, cracking occurs which causes layer building in heat exchangers |
| Consequence | Heat transfer constant | Heat transfer will decrease over time |
| Pressure in the intermediate system | Higher (approx. 18-22bar) | Lower (approx. 8-12bar) |
| Risk consideration | Not inflammable | Inflammable |
| Consequence | Leaks are not a fire hazard | Leaks are a potential fire hazard |
| Miscellaneous | None | For emergencies (if intermediate cycle has to be evacuated), a suitable storage tank has to be installed. Size depends on amount of thermal oil |
| Consequence | None | Higher costs |
Above - Table 1: Comparison of media that can be used for intermediate cycle.
Improvement in energy efficiency
High and rising energy costs and the need to reduce CO2 emissions are the main drivers for investing in heat recovery systems. The possibility of raising productivity, coupled with the positive environmental effects of the investment, is another important driver.
The installation of an ORC power plant in a highly efficient cement factory, like that at Untervaz, enhances the site's overall energy efficiency.
By using the waste heat from the preheater (phase 1 of the project), the ORC plant produces 1.9MW or 10.5GWh net electric power per year. When both waste heat sources (preheater and clinker cooler) are used, production increases to 2.6MW of CO2-free electricity. This will lead to a net plant reduction in electricity purchases of 20%.
Additionally, the water consumption of the cement plant can be reduced by stopping the water spray in the conditioning tower after the preheater (the preheater gas is cooled by the heat exchanger of the ORC power plant). This increases the sustainability of cement production by reducing the consumption of water, an important natural resource.
Parameters for using low grade waste heat ORC Power Plant
Several parameters need to be taken into account when assessing the feasibility of using low temperature waste heat in an industrial plant, namely the number of waste heat sources, waste air/exhaust gas conditions, temperature, dust load, availability, plant process and operational variation of certain parameters.
The financial evaluation of an investment in an ORC power plant depends mainly on the price of electricity, the cost of the plant, the expected efficiency improvements in terms of electricity production per year and the business model adopted (in terms of project and plant ownership). These parameters will vary from case to case and from country to country. Each case will have to be assessed on its own terms.
Summary
Recovering low temperature waste heat with ORC power plant technology can achieve a significant increase in cement plant energy efficiency. ORC power plants are a proven technology that use low temperature waste heat sources to produce electricity.
The environmental and economic benefits make it an attractive investment. ORC power plants can boost electrical energy efficiency in cement plants by up to 20%. They reduce indirect CO2 emissions considerably and save water at the same time.
References
- Börrnert, T. ABB Paper "Boosting energy efficiency by converting low temperature waste heat to electricity," TCMA Technical Workshop, Forest Hills, Thailand, November 19-20, 2009.
- Börrnert, T. "ABB's flexible ORC power plant," International Cement Review, November 2010.
- Börrnert, T. ABB Paper "Organic Rankine Cycle (ORC) based power plants," 53rd IEEE IAS/PCA Cement Industry Technical Conference, St. Louis, MO, USA 22 - 26 May, 2011.


